Skandar Mokni | Mechanical & Software Engineer
Automotive Engineering // Completed

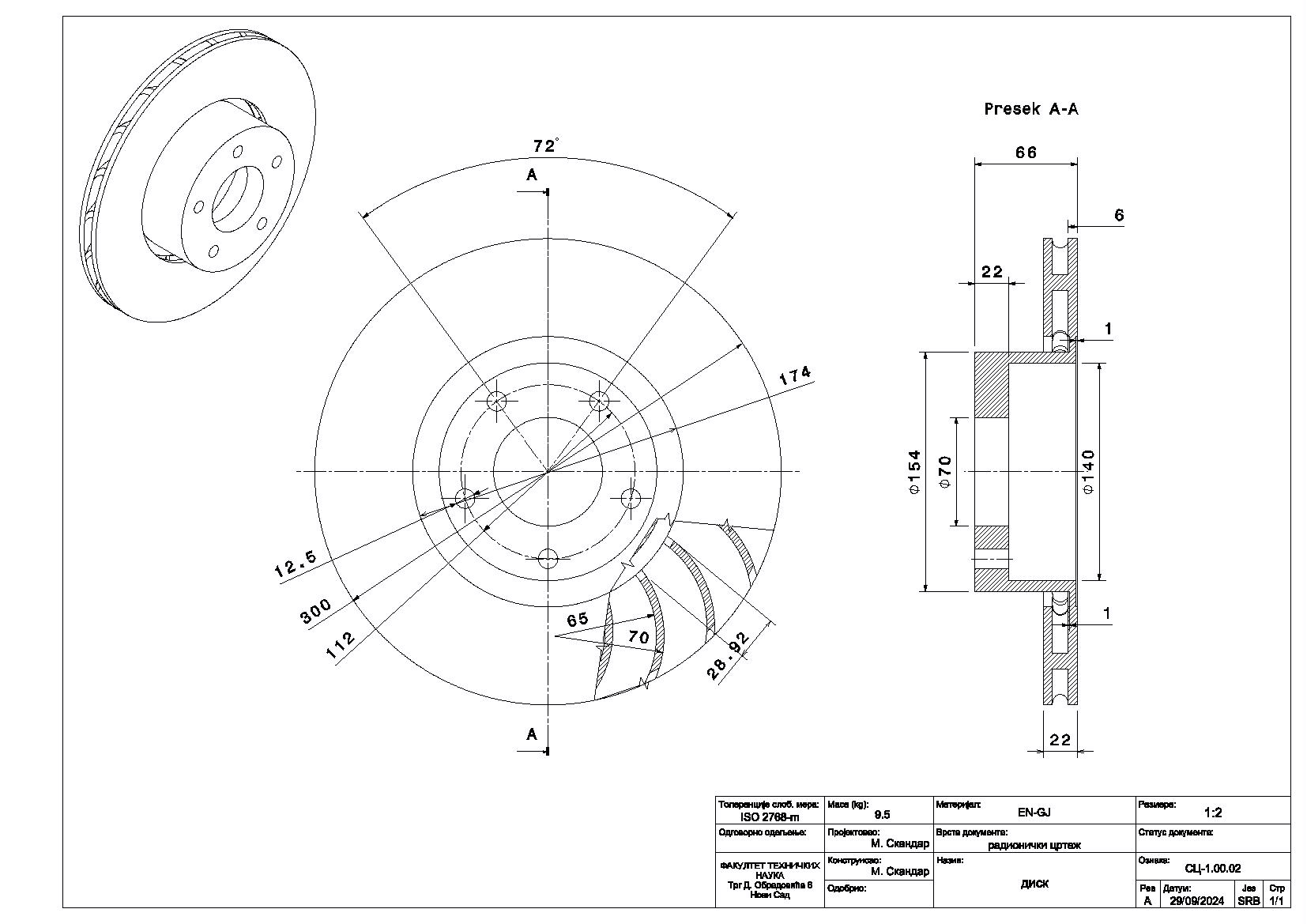
Brake Disc Design, Stress Analysis & Technical Documentation

Technical Datasheet

MECH-006

Project Overview

A complete mechanical engineering project focused on the design, modeling, and finite-element stress analysis of an automotive ventilated brake disc. This project combines CAD modeling (CATIA V5), mechanical load calculations, and FEM simulation workflow, demonstrating real-world skills used in mechanical design, automotive engineering, and CAE analysis.

The study includes 3D modeling of a ventilated brake disc, calculation of braking forces & torque, structural analysis using FEM, identification of critical stress regions, technical drawing creation, and comprehensive engineering documentation following industry standards.

Key Engineering Tasks

  • CAD Modeling: Created parametric 3D ventilated brake disc with cooling ribs, mounting holes, and hub geometry in CATIA V5.
  • Load Analysis: Calculated braking forces, normal loads (8400 N), tangential loads (3360 N), and torque distribution based on automotive parameters.
  • FEM Setup: Applied boundary conditions, constrained bolt holes using virtual fixtures, and simulated pad pressure on both disc faces.
  • Meshing Strategy: Used 3mm parabolic tetrahedral elements with 1mm local refinement around ribs and bolt holes for accurate stress concentration capture.
  • Structural Analysis: Performed linear static FEM simulation to evaluate Von Mises stress distribution, principal stresses, and displacement field.
  • Results Interpretation: Identified critical zones at rib edges and bolt hole boundaries, confirmed all stresses below yield strength (310 MPa).
  • Technical Documentation: Generated 2D blueprints with ISO standard title blocks, section views (A-A, B-B), dimensions, and tolerancing.
  • Engineering Report: Prepared comprehensive documentation including methodology, boundary conditions, FEA interpretation, and design validation.

Tools & Technologies

CATIA V5
FEM Simulation
Technical Drawing
Structural Analysis

3D Assembly Model

Project Gallery

Technical Documentation

Specifications

Disc Type Ventilated brake disc with cooling ribs
Material Gray Cast Iron
Elastic Modulus 125 GPa
Poisson's Ratio 0.28
Density 7200 kg/m³
Yield Strength ~310 MPa
Normal Force (per pad) 8400 N
Tangential Force (per pad) 3360 N
Max Braking Torque 2100 Nm per wheel
Max Von Mises Stress ~80-85 MPa
Max Displacement ~0.04 mm
Bolt Pattern 4-6 bolts
Mesh Size 3mm global, 1mm refinement